设为首页 | 加入收藏
 
欢迎访问本站 今天是   
联轴器系列
减速机系列
十字包系列
万向节系列
 

  地址: 镇江市红光村陈家门18号
  联系人:

陈先生[13952889295]
蒋经理 13805286647

  传真: 0511-85393055
  网址: www.zjqhjx.com
  Email: 1079388228@qq.com
     

 
   
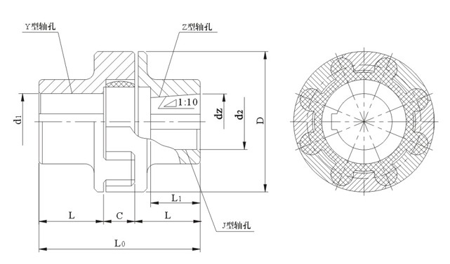
    产 品 说 明

型号 许用转矩MP/(N·m) 许用转速mp/(r·min) 轴孔直径
d1/mm, d2/mm, d3/mm
轴孔长度 L0
mm
D0
mm
B
mm
D
mm
D1
mm
d0
mm
h
mm
转动惯量
kg·m2
质量
kg
许用位移
弹性件硬度HA Y型 J、Z型
≥75 ≥85 ≥94 L
mm
L1
mm
径向
mm
轴向
mm
角向
MLL4-Ⅱ-160 140 250 400 4750 25,28 62 44 190.5 160 70 105 72 10 20 2.56 100 0.8 2.5 2°00`
30,32,35,38 82 62 210.5
40,42 112 84 265.5
MLL4-Ⅱ-200 140 250 400 3800 25,28 62 44 215.5 200 85 105 5.6 14
30,32,35,38 82 60 235.5
40,42 112 84 265.5
MLL5-Ⅱ-200 250 400 800 3800 30,32,35,38 82 60 242 200 85 125 90 122 25 6.6 16.5 1.0 3.0 1°30`
40,42,45,48 112 84 272
MLL6-Ⅱ-200 400 630 1200 3800 35,38 82 66 249 200 85 145 104 140 30 8.12 20.3
40,42,45,48,50,55 112 84 279
MLL6-Ⅱ-250 400 630 1200 3050 35,38 82 60 279 250 105 145 16.0 25.6
40,42,45,48,50,55 112 84 309
MLL7-Ⅱ-250 710 1120 2240 3050 45,48,50,55 112 84 312 250 105 170 130 166 30 19.6 31.4 3.5
60,63,65 142 107 372
MLL7-Ⅱ-315 710 1120 2240 2400 45,48,50,55 112 84 312 315 135 170 38.2 38.5
60,63,65 142 107 372
MLL8-Ⅱ-315 1120 1800 3550 2400 50,55 112 84 351 400 170 200 156 196 35 55.0 55.5 1.5 4.0
60,63,65,70,71,75 142 107 416
MLL8-Ⅱ-400 1120 1800 3550 1900 50,55 112 84 351 400 170 200 120.5 75.3
60,63,65,70,71,75 142 107 416
MLL9-Ⅱ-400 1800 2800 5600 1900 60,63,65,70,71,75 142 107 421 400 170 230 180 225 35 147.5 92.2 1.5 1°00`
80,85,90,95 172 132 451
MLL9-Ⅱ-500 1800 2800 1500 1500 60,63,65,70,71,75 142 107 275 500 210 230 345 138
80,85,90,95 172 132 451
MLL10-Ⅱ-500 2800 4500 9000 1500 70,71,75 142 107 490 500 210 260 205 255 45 450 180 5.0
80,85,90,95 172 132 520
100,110 212 167 560
MLL11-Ⅱ-630 4000 6300 12500 1200 80,85,90,95 172 132 580 630 265 300 245 295 50 992 250 1.8
100,110,120 212 167 620
MLL12-Ⅱ-710 7100 11200 20000 1050 90,95 172 132 630 710 300 360 300 356 55 1462 290
100,110,120,125 212 167 670
130 252 202 710
MLL13-Ⅱ-800 8000 12500 25000 950 100,110,120,125 212 167 710 800 340 400 335 391 55 2048 320
130,140 252 202 750

注:1、材料:半联轴器为铸钢ZG70-500、ZG310-570、铸铁HT200,制动轮半联轴器为铸钢ZG270-500,ZG310-570表面淬火,梅火花形弹性元件为聚酯型聚氨脂,硬度≥75HA,或≥85HA,或≥94HA,其相应抗拉强度≥35或40或45MPa,扯断伸长率>450%;法兰联接件为铸铁,铸钢或合金铝。
2、表中质量为半联轴器最小轴孔直径,最大轴孔长度时的值。
3、带*号轴孔直径可用于Z型轴孔,制动轮半联轴器不受限制。

  • 上一个产品: DJM型弹性膜片联轴器

  • 下一个产品: CLZ型接中间轴直齿式联轴器
  • 返回上级产品
  • 点击数:10769  录入时间:2010-03-12 【打印此页】 【关闭  


    镇江启鸿机械有限公司  联轴器 膜片联轴器 万向联轴器
      Copyright (C) 2008-2009 Zjqhjx.Com Inc. All rights reserved.  
      建议使用1024*768浏览本站 本站长期域名:Www.Zjqhjx.Com  技术支持:江苏易润信息
    友情链接:镇江装潢公司

    苏公网安备 32111102000075号

    苏ICP备14043043号-1