| |
地址: |
镇江市红光村陈家门18号 |
| |
联系人: |
陈先生[13952889295] 蒋经理 13805286647 |
| |
传真: |
0511-85393055 |
| |
网址: |
www.zjqhjx.com |
| |
Email: |
1079388228@qq.com |
| |
|
|
|
|
|
| |
|
 |
产 品 说 明 |

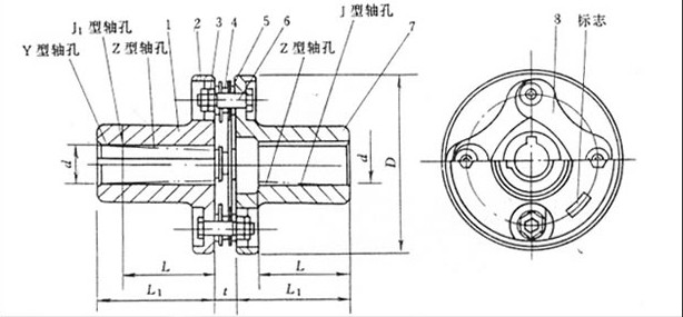
| JMI型膜片联轴器基本参数和主要尺寸 mm(JB/T 9147-1999) |
| 型号 |
公称 转矩 Tn /N·m |
瞬间最 大转矩 Tmax /N·m |
许可 转速 [n] /r·mi -1 |
轴孔 直径 d (H7) |
轴孔长度 |
D |
扭转刚度 C N·m/rad |
t |
转动 惯量 I kg·m 2 ≈ |
质量 m /kg ≈ |
| Y型 |
J、J1、 Z 型 |
L推荐 |
| L |
L |
L1 |
| JMI1 |
25 |
80 |
6000 |
14 |
32 |
- |
J1型为27 Z1型为20 |
35 |
90 |
1×10 4 |
8.8 |
0.0007 |
1 |
| 16、18、19 |
42 |
30 |
| 20、22 |
52 |
38 |
| JMI2 |
63 |
180 |
5000 |
18、19 |
42 |
- |
30 |
45 |
100 |
1.4×10 4 |
9.5 |
0.001 |
1.3 |
| 20、22、24 |
52 |
38 |
| 25 |
62 |
44 |
| JMI3 |
100 |
315 |
5000 |
20、22、24 |
52 |
- |
38 |
50 |
120 |
1.87×10 4 |
11 |
0.0024 |
2.3 |
| 25、28 |
62 |
44 |
| 30 |
82 |
60 |
| JMI4 |
160 |
500 |
4500 |
24 |
52 |
- |
38 |
55 |
130 |
3.12×10 4 |
12.5 |
0.0037 |
3.3 |
| 25、28 |
62 |
44 |
| 30、32、35 |
82 |
60 |
| JMI5 |
250 |
710 |
4000 |
28 |
62 |
- |
44 |
60 |
150 |
4.32×10 4 |
14 |
0.0083 |
5.3 |
| 30、32、35、38 |
82 |
60 |
| 40 |
112 |
84 |
| JMI6 |
400 |
1120 |
3600 |
32、35、38 |
82 |
82 |
60 |
65 |
170 |
6.88×10 4 |
15.5 |
0.0159 |
8.7 |
40、42、45 、48、50 |
112 |
- |
84 |
| JMI7 |
630 |
1800 |
3000 |
40、42 |
112 |
112 |
84 |
70 |
210 |
10.35×10 4 |
19 |
0.0432 |
14.3 |
45、45、50 、55、56 |
- |
| 60 |
142 |
107 |
| JMI8 |
1000 |
2500 |
2800 |
45、48 |
112 |
112 |
84 |
80 |
240 |
16.11×10 4 |
22.5 |
0.0879 |
22 |
| 50、55、56 |
- |
| 60、63、65、70 |
142 |
107 |
| JMI9 |
1600 |
4000 |
2500 |
55、56 |
112 |
112 |
84 |
85 |
260 |
26.17×10 4 |
24 |
0.1415 |
29 |
60、63、65 、70、71、75 |
142 |
- |
107 |
| 80 |
172 |
132 |
| JMI10 |
2500 |
6300 |
2000 |
63、65、70 、71、75 |
142 |
142 |
107 |
90 |
280 |
7.88×10 4 |
17 |
0.2974 |
52 |
| 80、85、90、95 |
172 |
- |
132 |
| JMI11 |
4000 |
9000 |
1800 |
75 |
142 |
142 |
107 |
95 |
300 |
10.49×10 4 |
19.5 |
0.4782 |
69 |
| 80、85、90、95 |
172 |
- |
132 |
| 100、110 |
212 |
167 |
| JMI12 |
6300 |
12500 |
1600 |
90、95 |
172 |
- |
132 |
120 |
340 |
14.07×10 4 |
23 |
0.8067 |
94 |
100、110 、120 、125 |
212 |
167 |
| JMI13 |
10000 |
18000 |
1400 |
100、110 、120、125 |
212 |
- |
167 |
135 |
380 |
19.23×10 4 |
28 |
1.7053 |
128 |
| 130、140 |
252 |
202 |
| JMI14 |
16000 |
28000 |
1200 |
120、125 |
212 |
- |
167 |
150 |
420 |
30.01×10 4 |
31 |
2.6832 |
184 |
| 130、140、150 |
252 |
202 |
| 160 |
302 |
242 |
| JMI15 |
25000 |
40000 |
1120 |
140、150 |
252 |
- |
202 |
180 |
480 |
47.46×10 4 |
37.5 |
4.8015 |
263 |
| 160、170、180 |
302 |
242 |
| JMI16 |
40000 |
56000 |
1000 |
160、170、180 |
302 |
- |
242 |
200 |
560 |
68.09×10 4 |
41 |
9.4118 |
384 |
| 190、200 |
352 |
282 |
| JMI17 |
63000 |
80000 |
900 |
190、200、220 |
352 |
- |
282 |
220 |
630 |
101.3×10 4 |
47 |
18.3753 |
561 |
| 240 |
410 |
330 |
| JMI18 |
100000 |
125000 |
800 |
220 |
352 |
- |
282 |
250 |
710 |
161.4×10 4 |
54.5 |
28.2033 |
723 |
| 240、250、260 |
410 |
330 |
| JMI19 |
160000 |
200000 |
700 |
250、260 |
410 |
- |
330 |
280 |
800 |
79.3×10 4 |
48 |
66.5813 |
1267 |
| 280、300、320 |
470 |
380 | | |
|
 |
上一个产品:
齿式联轴器简介和标记
下一个产品:
LT型弹性套柱销联轴器
返回上级产品 |
| 点击数:10677 录入时间:2010-04-14 【打印此页】 【关闭】 |
|
|
|